MAX77714 Power Management IC
Analog Devices' PMIC with 13 regulators, 8 GPIOs, RTC, and flexible power sequencing
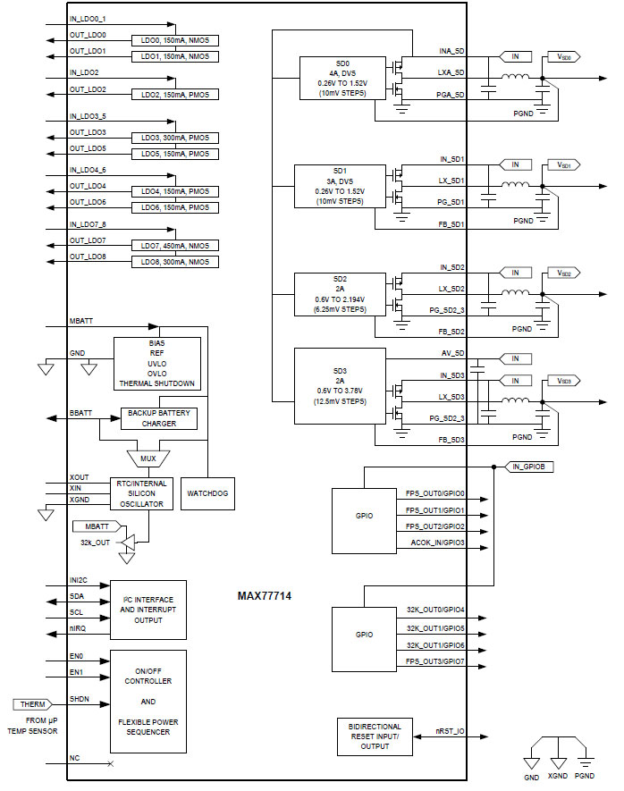
Analog Devices' MAX77714 is a power-management IC (PMIC) device for use with system-on-chip (SoC) application processors. The PMIC has an integrated ON/OFF controller and with the combination of a flexible power sequencer (FPS), provides maximum flexibility in setting power-up/-down sequences with minimal intervention from the applications processor.
This solution includes two 2 A, one 3 A, and one 4 A step-down regulators, nine low-dropout (LDO) linear regulators, eight programmable GPIOs, a real-time clock (RTC), and a watchdog timer. The step-down regulators have programmable outputs and switch at 2 MHz, allowing for the use of small magnetic components. The LDOs feature two soft-start rates, limiting the inrush current during startups. An internal silicon oscillator is available for systems that do not want to use the crystal oscillator.
The MAX77714 comes in a 70-bump, 4.1 mm x 3.25 mm x 0.7 mm, 0.4 mm pitch wafer-level package (WLP).
MAX77714 Power Management IC
| Image | Manufacturer Part Number | Description | Available Quantity | Price | View Details | |
|---|---|---|---|---|---|---|
![]() | ![]() | MAX77714EWC+ | IC REG MOBILE DEV 4OUT 70WLP | 0 - Immediate | See Page for Pricing | View Details |
![]() | ![]() | MAX77714EVKIT# | EVAL BOARD FOR MAX77714 | 1 - Immediate 8 - Factory Stock | $166.46 | View Details |




