Orders are typically delivered to Australia within 4 days depending on location.
Free delivery to Australia on orders of $60 AUD or more. A delivery charge of $24 AUD will be billed on all orders less than $60 AUD.
UPS, FedEx or DHL freight pre-paid: CPT (Duty, customs, and taxes are buyer's responsibility)
Credit account for qualified institutions and businesses
Payment in Advance by Wire Transfer
![]()
![]()
![]()
![]()


More Products From Fully Authorized Partners
Average Time to Ship 1-3 Days, extra ship charges may apply. Please see product page, cart, and checkout for actual ship speed.
Incoterms: CPT (Duty, customs, and applicable VAT/Tax due at time of delivery)
For more information visit Help & Support
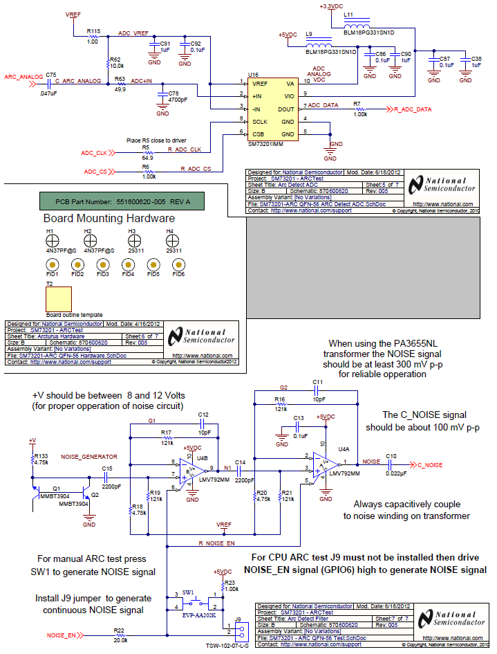
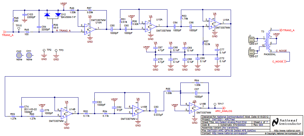
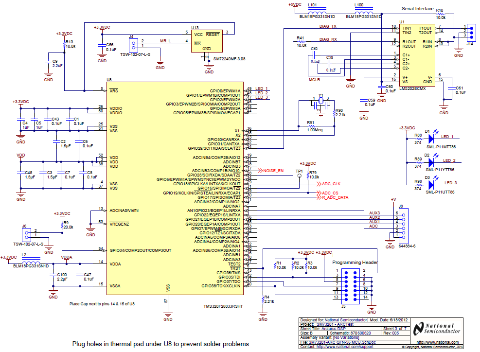
The SolarMagic™ reference design kit RD-195 includes the SM73201-ARC-EV PCB which is a UL1699B compliant Photo-Voltaic Arc Detect System with a minimal footprint of less than 50mm x 30mm. The reference design utilizes National Semiconductor’s advanced Analog technology along with an innovative dynamic filtering technique to effectively detect the signature of Arcing conductors in the presence of highly noisy real world environments.
Implemented with National Semiconductor’s PowerWise® technology, the Analog path requires less than 50mW of power to implement the active filtering. The operation range of the device covers the industrial temperature range of -40°C to +125°C. SolarMagic™ technology is an overall solution that works in existing and new installations, residential, commercial, and utility scale projects.
| Manufacturer | Texas Instruments |
|---|---|
| Category | Energy Harvesting |
| Sub-Category | Other Energy Harvesting Designs |
| Eval Board Part Number | SM73201-ARC-EV/NOPB-ND |
| Eval Board Supplier | Texas Instruments |
| Eval Board |
Board not Stocked
|
| Design Author |
Texas Instruments
|
| Purpose |
Arc Detect System for Solar Panels
|
| Application / Target Market |
Solar Powered Back-up
|
| Features |
ADC's for Sensor Reading
|
| Main I.C. Base Part |
SM73201
SM73307 SM73308 |
| Date Created By Author | 2011-06 |
| Date Added To Library | 2025-10 |
Co-Browse
By using the Co-Browse feature, you are agreeing to allow a support representative from DigiKey to view your browser remotely. When the Co-Browse window opens, give the session ID that is located in the toolbar to the representative.
DigiKey respects your right to privacy. For more information please see our Privacy Notice and Cookie Notice.
Yes, Continue to Co-BrowseGet fast and accurate answers from DigiKey's Technicians and Experienced Engineers on our TechForum.
Please visit the Help & Support area of our website to find information regarding ordering, shipping, delivery and more.
Registered users can track orders from their account dropdown, or click here. *Order Status may take 12 hours to update after initial order is placed.
Users can begin the returns process by starting with our Returns Page.
Quotes can be created by registered users in myLists.
Visit the Registration Page and enter the required information. You will receive an email confirmation when your registration is complete.
Orders are typically delivered to Australia within 4 days depending on location.
Free delivery to Australia on orders of $60 AUD or more. A delivery charge of $24 AUD will be billed on all orders less than $60 AUD.
UPS, FedEx or DHL freight pre-paid: CPT (Duty, customs, and taxes are buyer's responsibility)
Credit account for qualified institutions and businesses
Payment in Advance by Wire Transfer
![]()
![]()
![]()
![]()


More Products From Fully Authorized Partners
Average Time to Ship 1-3 Days, extra ship charges may apply. Please see product page, cart, and checkout for actual ship speed.
Incoterms: CPT (Duty, customs, and applicable VAT/Tax due at time of delivery)
For more information visit Help & Support
Thank you!
Keep an eye on your inbox for news and updates from DigiKey!
Please enter an email address
Please accept the checkbox